Prohlédnuté produkty
Napětí: 230 V Max. výtlak (Hmax):...
Průtok 200l / h
Štítky
97901037
Novinka
Dostupnost: čerpadlo na dotaz
Upozornění: poslední kus skladem!
Datum dostupnosti:
Multilift se dodává jako kompletní jednotka připravená k instalaci a zahrnuje plně integrovanou sběrnou nádrž s čerpadlem a ponorným motorem, zpětný ventil, adaptér na výtlaku s pružným spojovacím kusem DN100 osazeným na sběrné nádrži a předzapojenou řídicí jednotku, včetně snímače hladiny.
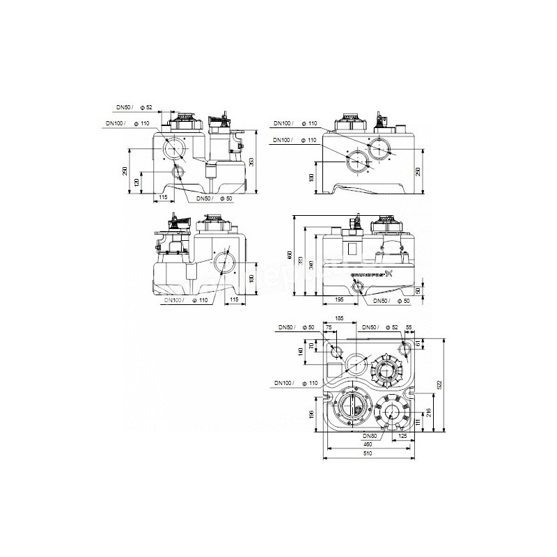
Plně integrovaná sběrná nádrž má veškerá potřebná hrdla pro připojení přívodního potrubí ve výškách 180 mm a 250 mm, odvzdušňovacího potrubí DN50 a ručně ovládaného membránového čerpadla (příslušenství).
Na sběrné nádrži je osazeno 7 přívodních hrdel. Zadní přívody 2x DN100 s jedním hrdlovým těsněním, hrdlo pro přívod na bocích 2x DN100, horní přívod DN100. 2x DN50 pro horní a boční přívod.
Korozivzdorné polyetylenové sběrné nádrže Multilift jsou plynotěsné, vodotěsné a nepropouštějí zápach, zajišťují menší množství zbytkové vody a menší sedimentaci provedením zkosené spodní části.
Čerpadlo s vírovým oběžným kolem Vortex a bezúdržbovým ponorným motorem, nádržka na olej s fyziologickou nezávadnou olejovou náplní mezi dvěma hřídelovými ucpávkami. Ochrana motoru jističem uvnitř hlavy čerpadla.
Řídicí jednotka LC220 s mikroprocesorem je vybavena LED diodou pro veškerá nutná monitorování. Čerpadlo a snímač jsou připojeny k řídicí jednotce kabelem a potrubím o délce 4 m nebo 10 m. Napájecí kabel má délku 1,5 m a je opatřen zástrčkou (včetně fázového invertoru pro 3fázový motor) Bezkontaktní piezorezistivní snímač tlaku připojitelný uvnitř skříně, monitorovaný řídicí jednotkou. Neucpávající se tlakové potrubí uvnitř nádrže bez pohyblivých částí v odpadní vodě.
Řídicí jednotka monitoruje provoz čerpadla.
Funkce řídicí jednotky:
provozní signalizace:
poruchová signalizace:
Jeden dodatečný vstup pro připojení samostatného spínače hladiny pro detekci zaplavení mimo Multilift (externí alarm). Přečerpávací stanice jsou často instalovány v jímce v suterénu na nejnižším místě v budově. V případě například vtékání zemní vody nebo prasklého vodního potrubí bude řídicí jednotka signalizovat alarm.
Řada Multilift je navržena podle normy EN12050-1, schválena a monitorována externím institutem LGA. Dalšími osvědčeními jsou VDE, GHOST, CB, EMV
Hmotnost pro výpočet ceny přepravy: 35 kg